Mô Tơ Giảm Tốc 90W Máy Mài Lưỡi Cắt Tua Chậm HSS JP450
🌟 Motor giảm tốc công suất 90W cho máy mài lưỡi cưa tua chậm được thiết kế với công nghệ tiên tiến, đảm bảo hiệu suất làm việc ổn định và độ bền cao.
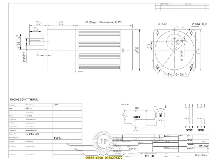
Thông Số Kỹ Thuật Của Motor Giảm Tốc 90W:
👉 Công suất sử dụng 90W
👉 Dòng điện AC xoay chiều 1 pha hoặc điện 3 pha 220/380V
👉 Đường kính trục cốt trục là 15mm
👉 220V 50HZ 0.51A với tốc độ 90 - 1300 (vòng /phút); 220V 50HZ 0.55A với tốc độ 90 - 1500 (vòng/phút)
👉 Có thể lắp cùng với motor 220v điện xoay chiều hoặc motor 24v, 12v điện 1 chiều DC
👉 Tạo lực momen đầu ra từ từ 2.97 N.m đến khoảng 35,1(N.m)





.jpg)
Ưu Điểm Của Motor Giảm Tốc 90W:
🌟 Thiết kế nhỏ gọn, trọng lượng nhỏ nên dễ dàng vận hành làm việc, di chuyển nhiều vị trí theo nhu cầu sử dụng
🌟 Có thể điều chỉnh tốc độ theo ý muốn từ 3 đến 200 (vòng/phút)
🌟 Cho ra trọng tải lớn hơn mặc dù vận hành tốc độ chậm, nhỏ, mini
🌟 Có khả năng chống nước, kháng môi trường ẩm, tự động làm mát, hạn chế khí thải CO2,…
🌟 Tiết kiệm điện năng, nhiều tỉ số truyền lựa chọn, bảo dưỡng bảo trì đơn giản dễ dàng.



Ứng Dụng Của Mô Tơ Giảm Tốc 90W:
✨ Mô tơ giảm tốc sử dụng cho máy mài lưỡi cắt tua chậm HSS JP450
✨ Ứng dụng trong sản xuất: chế tạo máy xay, máy khuấy, máy quay thịt, hệ thống máy cho gia súc ăn, hệ thống băng chuyền băng tải, hệ thống khuấy trộn hóa chất ngành cơ khí, Quay nướng thịt lợn bò gà dê, nướng thực phẩm, sấy hạt điều, café, tiêu, máy sục khí nuôi thủy sản …
✨ Ứng dụng trong đời sống: chế tạo máy xay sinh tố, máy vắt cam, máy ép plastic, máy trộn bột, trộn nhân cho bánh trung thu, trang trí bánh kem gato...



Lý do nên mua Máy Mài Tự Động dùng cho máy cắt ống hộp Inox:
1- Để tiện lợi cho sản xuất và đáp ứng kịp thời tiến độ giao hàng, rất nhiều xưởng chọn mua máy mài tự động mài lưỡi cắt tua chậm HSS
2- Chọn mua Máy Mài Tự Động Mài Lưỡi Cắt Tua Chậm giúp giải quyết công việc trong lúc thợ nhàn rỗi
3- Nhân viên văn phòng, thợ thời vụ đều có thể làm được. Bằng cách chia bước công việc thành các phần nhỏ, phần đơn giản do thợ phụ đảm nhiệm ( Làm sao thực hiện được ? Hãy gọi 0988016768 chúng tôi nỗ lực tư vấn)
4- Mua Máy Mài Tự Động Mài Lưỡi HSS từ Nhatphuong.com.vn được hỗ trợ chuyển giao kỹ thuật miễn phí học từ Nhật Bản
5- Mua Máy Mài Tự Động Mài Lưỡi Cắt Không Ba Via từ Nhatphuong.com.vn được hỗ trợ mài tinh xảo Zoom nét từ ống kính hiển vi
6- Mua Máy Mài Tự Động Mài Lưỡi Cắt Máy Cắt Kỹ Thuật từ Nhatphuong.com.vn được hướng dẫn mài nước tránh khói, bụi mài, tránh cháy lưỡi, mài tốc độ hơn và sắc hơn
7- Mua Máy Mài Tự Động Mài Lưỡi Cắt Máy Cắt Tua Chậm từ Nhatphuong.com.vn được hướng dẫn xử lý khi gặp đĩa vênh, mất răng, mẻ răng
8- Mua Máy Mài Tự Động Mài Lưỡi Cắt Máy Cắt Không Ba Via từ Nhatphuong.com.vn được tặng nhiều phụ kiện gồm: Phụ kiện mở lưỡi 3 món, 2 lưỡi mài, 1 dưỡng mài
Tám điều tuyệt vời mà chỉ có duy nhất tại nhatphuong.com.vn!
Khi cắt Máy Cắt Tua Chậm cần chú ý các điểm sau:
1- Lắp lưỡi cắt đúng chiều quay (Hướng của răng hướng xuống theo chiều mũi tên trên vỏ bảo vệ lưỡi cắt).
2- Khởi động máy thử máy kiểm tra (Nhá thử cò) để xem lưỡi có vênh, đảo không? Để nước mát ra đều rồi hãy hạ lưỡi cắt xuống phôi
3- Cố định vật liệu cắt chắc chắn:
✧ Trước khi cắt phải kẹp và giữ chặt vật liệu cắt, giữ cố định không cho vật liệu cắt bị rung lắc hoặc bị xoay trong quá trình cắt. (Đặc biệt khi cắt ống tròn, ống rất dễ xoay tròn và dễ vỡ lưỡi)
✧ Thỉnh thoảng kiểm tra bằng cách dùng tay rút hoặc xoay thử xem bạn thực sự đã kẹp chặt ống hộp chưa ?
✧ Vam kẹp càng sát lưỡi càng tốt để tránh rung (Từ má ê tô đen đến lưỡi khoảng 3-5mm)
4- Làm mát lưỡi trong quá trình cắt: Làm mát bằng hơi hoặc dầu cắt gọt sẽ tăng tuổi thọ của lưỡi cắt. Pha 1 lít dầu cắt gọt với 5 lít nước lã (Pha đúng tỷ lệ, loãng cắt sẽ cùn nhanh).
5- Không được cắt nhanh quá:
✧ Đợi vòng quay của lưỡi cắt đạt được tốc độ quay tuyệt đối trước khi bắt đầu cắt (Bóp cò khoảng 2 giây rồi hãy hạ lưỡi xuống vật liệu cắt)
✧ Để lưỡi cắt từ từ vào vật liệu theo tốc độ mặc định của máy cắt (Máy hơi tự động).
✧ Máy cơ kéo bằng tay thì dồn lực đều (Không kéo lúc mạnh lúc yếu)
6- Với hộp 40*80mm không nên kẹp đứng (Để nằm ê tô mở 80mm). Để dựng 80mm lên trên ê tô kẹp không hết nên rung dễ vỡ lưỡi hay mẻ răng.
7- Nếu đang cắt mà bị gãy răng hoặc cùn lưỡi, thì bỏ mạch đó sang cắt mạch mới (Không cắt trùng lại mạch cũ vì lưỡi dễ bị mất me)
8- Cần thiết phải kẹp phôi cả 2 bên mạch cắt. (Không nên tiết kiệm, chỉ kẹp 1 bên)
9- Nếu kẹp nhiều ống tròn hoặc hộp để cắt, nên chế bộ kẹp để đảm bảo ống không bị xoay.
10- Đào tạo thợ chuyên môn cắt, hoặc có hướng dẫn cụ thể khi vận hành (không được để thợ thời vụ đứng máy)
11- Vì máy cắt dùng nước, nên vệ sinh máy thường xuyên, nếu ê tô bỉ rít do rỉ sét nên tra dầu mỡ hoặc xịt chống rỉ (Không được dùng búa hoặc gõ mạnh sẽ bị bay ren hoặc cong trục)
12- Hãy xem video phía dưới để dễ hiểu hơn nhatphuong.com.vn luôn bên bạn:
Giá rẻ hơn những nơi rẻ nhất!
Để tiết kiệm chi phí hãy liên hệ:
Công ty SX & XNK Nhật Phương
Tell/Fax: 024 3682 5388
Mr. Dũng 0333 929 100 *** Ms. Ánh 0988 299 279***0933 361 979
Email: info@nhatphuong.com.vn Website: nhatphuong.com.vn
mô tơ giảm tốc 120W, motor giảm tốc 120W tua chậm, máy mài lưỡi cắt HSS, mô tơ giảm tốc máy mài, motor 120W tua chậm chính xác, mô tơ tua chậm 120W giá rẻ, máy mài lưỡi tua chậm HSS, động cơ giảm tốc tua chậm, motor giảm tốc mini 120W, mô tơ giảm tốc 1 pha 120W, máy mài lưỡi cắt tốc độ thấp, motor giảm tốc mài dao HSS, máy mài lưỡi tốc độ thấp HSS, máy mài dao cụ HSS công nghiệp, mô tơ giảm tốc 220V 120W, motor tua chậm mài lưỡi dao, máy mài HSS tua chậm chuyên dụng
Máy cưa cắt inox, Máy cắt ống hộp inox, Máy cưa tay ống inox, Máy cưa vòng cắt inox, Máy cắt inox, Máy cưa cắt ống thép, sản phẩm Máy cắt inox, Máy cắt ống inox, Máy hợp kim cắt sắt inox, Máy cắt hợp kim cắt inox, Máy cắt inox thép gió, Máy cưa inox lưỡi hợp kim, Máy hợp kim cắt inox, Máy cắt inox cầm tay, Máy cắt sắt thép gió, Máy kỹ thuật cắt ống thép, Máy cắt inox lưỡi thép gió , Máy cắt tua chậm cắt ống hộp sắt, Máy, cắt inox bosch, Máy cắt hợp kim inox, Máy cắt inox tua chậm, Máy cắt inox Makita, Máy cắt ống hộp kẽm, Máy cắt inox hợp kim 355mm, Máy cắt inox tốt nhất, Máy cắt tua chậm cắt inox, Máy cắt inox HSS lưỡi 275, Máy cắt inox HSS lưỡ 300, Máy cắt inox HSS lưỡ 350, Máy cắt inox hợp kim 275, Máy cắt inox hợp kim 300, Máy cắt inox hợp kim 350, Máy cắt inox máy tua chậm, Máy cắt không ba va, Máy cắt máy kỹ thuật cắt inox, Máy cắt máy kỹ thuật 275 cắt inox, Máy cắt máy kỹ thuật 300 cắt inox, Máy cắt máy kỹ thuật 350 cắt inox, Máy cắt tua chậm 275 cắt inox, Máy cắt tua chậm 300 cắt inox, Máy cắt tua chậm 350 cắt inox, Máy cắt ống hộp kẽm, Máy cắt ống hộp kẽm 275, Máy cắt ống hộp kẽm 300, Máy cắt ống hộp kẽm 350, Máy cắt inox HSS, Máy cắt inox hợp kim, Máy cắt inox máy tua chậm, Máy cắt lưỡi cầu vồng, Máy cắt lưỡi cầu vồng 275, Máy cắt lưỡi cầu vồng 300, Máy cắt lưỡi cầu vồng 350, Máy cắt máy kỹ thuật, Máy cắt thép hình, Máy cắt tua chậm, Máy cắt tua chậm 275 cắt ống hộp, Máy cắt tua chậm 300 cắt ống hộp, Máy, cắt tua chậm 350 cắt ống hộp, Máy cắt ống hộp sắt, Máy cắt ống hộp thép, bán máy cắt inox, Cách cắt inox tại nhà, Máy cắt Inox 255 Cũ , Cưa Máy cắt inox HSS Julia italia 300, Máy cắt Inox lưỡi Co5, Máy cắt, Inox Hà Nội, Máy cắt Inox lưỡi M2, Máy cắt Inox lưỡi M42, Máy cắt Inox lưỡi Nhật, Máy cắt Inox lưỡi Trung Quốc, Máy cắt Inox lưỡi hợp kim, Máy cắt Inox lưỡi italy, Máy cắt Inox mua ở đâu, Máy cắt Inox lưỡi màu vàng, Máy cắt Inox lưỡi màu đen, Máy cắt Inox máy HSS, Máy cắt Inox máy cắt tua chậm, Máy cắt Inox máy cắt vòng tua chậm, Máy cắt Inox máy kỹ thuật, Máy cắt Inox máy để bàn, Máy cắt Inox nào tốt nhất, Máy cắt Inox rẻ nhất, Máy cắt Inox lưỡi Ý, Máy cắt Inox lưỡi Đức, Máy cắt inox lưỡi 304, Máy cắt inox hss A D300 1.6, Máy cắt sắt inox 300 mm, Máy cắt ống hộp sắt, Máy cắt ống hộp thép, bán buôn Máy cắt Inox, báo giá Máy cắt Inox, chất lượng Máy cắt Inox tốt nhấ, Máy cắt Inox giá sỉ, nơi bán Máy cắt Inox, nơi bán Máy cắt Inox uy tín, Máy cắt Inox Makita chính hãng, Máy cắt ống hộp sắt, Máy cắt ống hộp thép, Đại lý Máy cắt Inox, Máy cắt inox Nhật Bãi, Máy cắt inox trung Quốc, Máy cắt inox Ý, Máy cắt inox Đức, máy cắt inox Cũ, máy cắt inox Nhật Bãi, Máy cắt tua chậm cắt ống hộp kẽm, Máy cắt tua chậm cắt ống hộp